首页
产品中心
网聪云能源管理平台
网聪智能电网产品
智能设备
解决方案
新能源电站解决方案
智慧储能解决方案
虚拟电厂解决方案
智能电网解决方案
新闻中心
关于网聪
预约体验
预约体验
姓名(必填
*
):
手机(必填
*
):
公司:
留言:
关闭
当前位置:
首页
>
解决方案
>
智能配电解决方案
方案背景
随着配电网中非线性、冲击性及单相负载大量接入,三相不平衡、无功功率缺额、谐波污染等问题日益突出,严重导致:
• 配变容量利用率降低、过载能力下降
• 线路及变压器损耗大幅增加
• 零序电流引发钢构件发热、绝缘加速老化
• 电压质量下降、用户用电体验差
传统治理手段(如固定投切电容器、机械式换相开关)响应慢、精度差,已无法满足现代配电网需求。
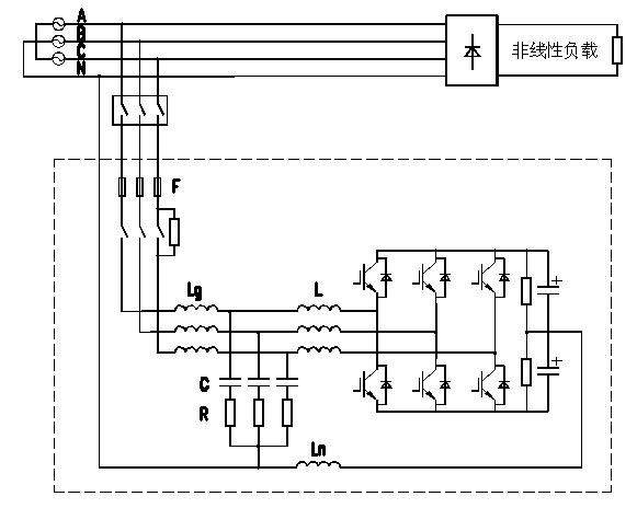
系统典型部署与原理
网聪科技自主研发的
配网三相不平衡智能调节装置
,采用全电力电子拓扑,一机实现以下核心功能:
• 毫秒级动态无功补偿
• 三相有功功率智能转移与平衡调节
• 有源滤波(消除谐波)
• 抑制电压闪变与波动
装置安装于配变低压侧,通过实时注入与负载负序/零序电流大小相等、方向相反的补偿电流,实现三相电流精准平衡(不平衡度可降至5%以内),功率因数提升至0.99以上。
典型安装方式
实测效果与核心优势
典型台区实测数据(安装前后对比)
• 三相电流不平衡度:50%+ → 5%以下
• 功率因数:0.75~0.85 → 0.99以上
• 日均线损下降:12%~28%
• 配变有效容量释放:15%~30%
核心优势
• 毫秒级响应,无机械动作,寿命长
• 一机多能,无需额外无功补偿或滤波装置
• 支持远程监控与群控,接入配网自动化系统
• 抱杆/横担灵活安装,施工简单
更多方案
智能变电站监测与分析解决方案
全景数据记录与智能分析
智能高压设备调测解决方案
高压设备数字化测试
智能化变电站培训解决方案
实操仿真培训系统
智能配电解决方案
配电自动化与故障定位
智能能效分析与管理解决方案
能源消耗分析与优化
查看更多方案
了解完整解决方案
全程打造, 专注产品服务, 助力新能源数字化转型
预约体验